136-0073-8328
nancy.huang@geotegrity.com
:
全部
产品名称
关键词
产品型号
产品摘要
产品描述
全文搜索
English
|
简体中文
首页
产品
甘蔗渣碗
甘蔗渣餐盒
甘蔗渣杯
甘蔗渣杯盖
甘蔗渣餐盘
甘蔗渣托盘
甘蔗渣
案例
能力
技术
服务
定制服务
资源
下载
常见问题
关于我们
新闻
联系我们
Language
English
简体中文
更多
首页
产品
甘蔗渣碗
甘蔗渣餐盒
甘蔗渣杯
甘蔗渣杯盖
甘蔗渣餐盘
甘蔗渣托盘
甘蔗渣
案例
能力
技术
服务
定制服务
资源
下载
常见问题
关于我们
新闻
联系我们
:
全部
产品名称
关键词
产品型号
产品摘要
产品描述
全文搜索
当前所在位置:
首页
»
能力
»
服务
技术
服务
定制化
综合解决方案提供商
完善的售前与售后服务,高效的交付周期
远东集团致力于为客户提供一站式综合解决方案,涵盖:
原料采购
化学添加剂供应
纸浆模塑工厂设计
设备采购咨询
销售定价指导
工程与设计服务
工程与设计服务
制造商供货范围的基础工程(布局图设计)
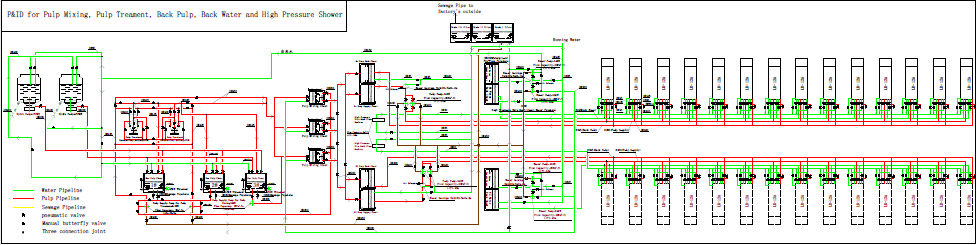
重力制浆系统
重力制浆系统
该系统不仅可减少水泵和浆泵的使用,同时还能将防水及耐油化学品的消耗量降低 30%-50%,使生产成本降低 5%。
工程布局设计及安装指导服务
工程布局设计及安装指导服务
培训与安装
培训及安装
在卖方场地进行工程师培训,在买方场地提供安装指导。
产品
甘蔗渣碗
甘蔗渣餐盒
甘蔗渣杯
甘蔗渣杯盖
甘蔗渣餐盘
甘蔗渣托盘
能力
技术
服务
定制化
快速链接
首页
甘蔗渣
案例
资源
新闻
联系我们
联系我们
提交
闽ICP备14014131号-6
致电我们
136-0073-8328
电子邮件
nancy.huang@geotegrity.com
版权所有 © 2023 远东中乾(厦门)科技集团股份公司。技术支持:
领动
|
网站地图
.
隐私政策
136-0073-8328
136-0073-8328
0595-7208-177
nancy.huang@geotegrity.com